Body
Body Panels, Body Parts & Fixings
Restore, repair, or customise your golf buggy with our extensive range of body panels, body parts, and fixings, designed to keep your buggy looking professional and structurally sound. Whether repairing accident damage or refreshing the appearance of a well-used vehicle, quality body components are essential for both durability and presentation.
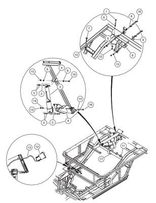
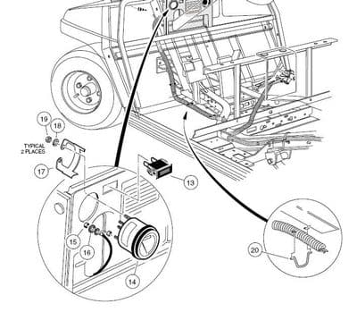
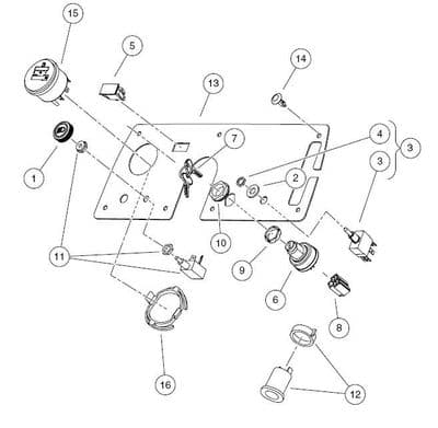
At Buggy Parts Direct, we supply replacement front and rear body panels, cowlings, roofs, dashboards, seat bases, trims, bumpers, and mounting hardware, along with a full selection of clips, bolts, screws, rivets, and fixings for Club Car, EZGO, and Yamaha models. All components are manufactured to meet or exceed OEM standards, ensuring correct fitment, long-lasting performance, and a clean factory-style finish.
Ideal for individual owners, workshops, and fleet operators, our body panels and fixings make repairs straightforward and cost-effective. With fast UK dispatch, clear product descriptions, and expert technical support, you can order with confidence.
If you need help identifying the correct body panel or fixing for your buggy model or year, our team is always available to assist.
View
