Brakes
Brake Parts & Brake Components
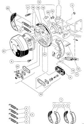
Maintain safe, reliable stopping power with our comprehensive range of brake parts and brake components for golf buggies. The braking system is critical to both safety and performance, and worn or damaged components can significantly affect control, especially on slopes or under load.
At Buggy Parts Direct, we supply high-quality brake shoes, brake cables, drums, hubs, callipers, pads, master cylinders, wheel cylinders, return springs, adjusters, and complete brake assemblies compatible with Club Car, EZGO, and Yamaha electric and petrol models. All parts are manufactured to meet or exceed OEM specifications, ensuring consistent braking performance, correct fitment, and long service life.
Whether you are carrying out routine servicing, addressing a specific fault, or maintaining a fleet, our brake components provide dependable performance you can trust. With fast UK dispatch, clear product information, and expert technical support, sourcing the correct brake parts has never been easier.
If you are unsure which brake components are required for your buggy model or year, our knowledgeable team is always available to assist.
View
£50.65 inc. VAT £42.21
